客户位置:俄罗斯
场景:客户需要一个寒冷天气 BOP 搬运系统,需要定制的项目包括:
- 在两个陆地钻机上安全提升 BOP 组
- 能够在 -45 度的温度下工作
- 符合 Zone 1 ATEX 规范

我们能帮上什么忙?
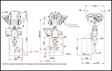
客户位置:俄罗斯
场景:客户需要一个寒冷天气 BOP 搬运系统,需要定制的项目包括:

解决方案:50T BOP 搬运系统。我们的工程团队设计并采购了经认证能够在 -45°C 寒冷天气下工作的载重材料。为了适应低温环境,该团队还推荐了一种液压操作系统,因为与气动操作系统相比,它在恶劣条件下的运行更加可靠。

